河南冠宇儀器有限公司提供的GB 31602-2015 食品安全國家標準 干海參之感官要求及理化指標來源于網絡,
如果該程序涉及或侵害到您的版權請立即聯系我們
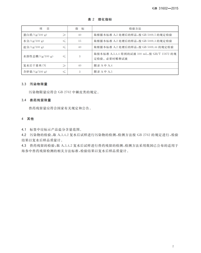
GB 31602-2015 食品安全國家標準 干海參之感官要求及理化指標

發布時間:2020-12-26來源:冠宇儀器
河南冠宇儀器有限公司提供的GB 31602-2015 食品安全國家標準 干海參之感官要求及理化指標來源于網絡,
如果該程序涉及或侵害到您的版權請立即聯系我們
GB 31602-2015 食品安全國家標準 干海參之感官要求及理化指標

全國統一熱線電話:4009 667 696
公司地址:河南省鄭州市新鄭市薛店鎮中德產業園39-3棟
Copyright 2019 河南冠宇儀器有限公司 All Rights Reserved. 豫ICP備19017632號-1
微信掃一掃
公眾號:冠宇儀器